KFAS: Fanuc
Parts & Repair


Fanuc
15 RS232 Setup
Fanuc 15iA Alarms
Fanuc 15 Memory Backup
15iA Related Manuals
DESCRIPTIONS
B63322EN
CONNECTION
MANUAL (Hardware) B-63323EN
CONNECTION
MANUAL (Function) B 63323EN1
OPERATORS
MANUAL (PROGRAMMING) B63324EN
OPERATOR
S MANUAL (OPERATION) B63324EN1
MAINTENANCE
MANUAL B63325EN
PARAMETER
MANUAL B63330EN
DESCRIPTIONS
(Supplement for Remote Buffer) B63322EN1
PROGRAMMING
MANUAL (Macro Compiler/Macro Executor) B63323EN2

Control
Printed Circuit Boards
|
Type
|
Module
|
Renewal
Part No.
|
ID
|
ID-
2
|
Remarks
|
|
Master
PCB
|
Main
CPU board
Power
Supply Unit
|
A16B-
3200- 0300
A16B-2203-0370
|
EB
|
|
|
|
Additional
axis board
|
A16B-
2203- 0340
|
D8
|
|
|
|
Card
PCB
|
CPU
card
|
A20B-
3300- 0101
|
0A
|
FF
|
16M
|
|
A20B-
3300- 0250
|
0A
|
7F
|
Memory
extension version
|
|
A17B-
3300- 0400
|
0A
|
EF
|
For
high- speed processing
|
|
Axis
control card
|
A17B-
3300- 0200
|
07
|
|
8
axes
|
|
A17B-
3300- 0201
|
06
|
|
6
axes
|
|
A20B-
3300- 0120
|
05
|
|
4
axes
|
|
A20B-
3300- 0240
|
08
|
|
8
axes, Corresponding to servo HRV3, One optical connector
|
|
A20B-
3300- 0244
|
08
|
|
8
axes, Corresponding to servo HRV3, Two optical connectors
|
|
A20B-
3300- 0241
|
08
|
|
6
axes, Corresponding to servo HRV3, One optical connector
|
|
A20B-
3300- 0245
|
08
|
|
6
axes, Corresponding to servo HRV3, Two optical connectors
|
|
A20B-
3300- 0242
|
08
|
|
4
axes, Corresponding to servo HRV3, One optical connector
|
|
A20B-
3300- 0121
|
04
|
|
2
axes
|
|
A20B-
3300- 0243
|
08
|
|
2
axes, Corresponding to servo HRV3, One optical connector
|
|
DIMM
module
|
FROM
module
|
E
|
A20B-
3900- 0070
|
X7
|
|
16M
|
|
D
|
A20B-
3900- 0071
|
X5
|
|
12M
|
|
C
|
A20B-
3900- 0072
|
X3
|
|
8M
|
|
B
|
A20B-
3900- 0073
|
X2
|
|
6M
|
|
SRAM
module
|
E
|
A20B-
3900- 0020
|
X5
|
|
3M
|
|
D
|
A20B-
3900- 0060
|
X4
|
|
2M
|
|
C
|
A20B-
3900- 0061
|
X3
|
|
1M
|
|
B
|
A20B-
3900- 0052
|
X2
|
|
512K
|
|
A
|
A20B-
3900- 0053
|
X1
|
|
256K
|
|
DRAM
module for serial
communication
board
and C board
|
A20B-
3900- 0042
|
85
|
|
4MB
|
|
Type
|
Module
|
Renewal
Part No.
|
ID
|
Remarks
|
|
Option
PCB
|
HSSB
interface
board
|
On
CNC side
|
A20B-
8001- 0730
|
AA
|
Mounted
in mini slot
|
|
For
1 channel For ISA slot
|
A20B-
8001- 0583
|
|
On
PC side
|
|
For
2 channels For ISA slot
|
A20B-
8001- 0582
|
|
On
PC side
|
|
For
1 channel For PCI slot
|
A20B-
8001- 0961
|
|
On
PC side
|
|
For
2 channels For PCI slot
|
A20B-
8001- 0960
|
|
On
PC side
|
|
Data
servo
board
|
For
HDD
|
A20B-
8001- 0510
|
FE
|
Mounted
in wide mini slot
|
|
For
ATA card
|
A20B-
8001- 0511
|
FE
|
Mounted
in wide mini slot
|
|
ATA
card interface board
|
A20B-
2100- 0500
|
|
Mounted
on data server board
|
|
C
language board
|
A20B-
8100- 0330
|
E0
|
Mounted
in mini slot
|
|
Serial
communication
board A1
|
RS232C
I/F
|
A20B-
8100- 0334
|
E1
|
Mounted
in mini slot
|
|
Serial
communication
board A2
|
RS422
I/F
|
A20B-
8100- 0335
|
E1
|
Mounted
in mini slot
|
|
Ethernet
board
|
A20B-
8100- 0450
|
E6
|
Mounted
in mini slot
|
|
DeviceNet
master board B
|
A20B-
8100- 0491
|
EF
|
Mounted
in mini slot
|
|
DeviceNet
slave board C
|
A20B-
8100- 0650
|
BF
|
Mounted
in mini slot
|
|
PROFIBUS
- DP board (master)
|
A20B-
8100- 0470
|
FC
|
Mounted
in mini slot
|
|
PROFIBUS
- DP board (slave)
|
A20B-
8100- 0440
|
E3
|
Mounted
in mini slot
|
|
Backpanel
PCB
|
Backpanel
|
A20B-
2002- 0770
|
|
2
slots
|
|
A20B-
2002- 0760
|
|
4
slots
|
|
Type
|
Module
|
Renewal
Part No.
|
Remarks
|
|
For
LCD unit
|
LCD
control PCB
|
A20B-
8100- 0415
|
|
|
A20B-
8100- 0630
|
For
two LCD
connection
|
|
Display
control card
|
10.4
color
|
A20B-
3300- 0150
|
Graphics
|
|
9.5
monochrome
|
A20B-
3300- 0153
|
Graphics
|
|
A20B-
3300- 0090
|
Characters
only
|
|
Inverter
|
10.4
color
|
A20B-
2002- 0500
|
Old
inverter
|
|
A20B-
8001- 0920
|
Can
replace old
inverter
|
|
9.5
monochrome
|
A20B-
2002- 0480
|
Old
inverter
|
|
A20B-
8001- 0910
|
|
A20B-
8002- 0130
|
Can
replace old
inverter
|
|
Touch
panel interface
|
A20B-
8001- 0620
|
|
|
Soft
key
|
10.4
color
|
A86L-
0001- 0261# A
|
|
|
9.5
mono chrome
|
A20B-
1007- 0481
|
|
|
Intelligent
terminal (A13B- 0178- B025 to - B042)
|
Main
printed circuit board
|
A20B-
2100- 0242
|
Pentium
|
|
A20B-
2100- 0450
|
MMX-
Pentium
|
|
Intelligent
terminal
CPU card
|
PA,
PB, PC
|
A02B-
0236- C261
|
Pentium
|
|
For
MPB, MPC, 10.4
|
A02B-
0207- J560 #6130
|
MMX-
Pentium
|
|
For
MPD, MPE, 12.1
|
A02B-
0207- J560 #6131
|
MMX-
Pentium
|
|
Intelligent
terminal
DRAM
module
|
For
CPU card, MPC, MPE
|
A76L-
0500- 0014
|
64MB
|
|
For
CPU card, MPB, MPD
|
A76L-
0500- 0013
|
32MB
|
|
For
CPU card, PC
|
A76L-
0500- 0016
|
64MB
|
|
For
CPU card, PA, PB
|
A76L-
0500- 0011
|
32MB
|
|
Inverter
|
For
10.4
|
A20B-
2002- 0500
|
Pentium
|
|
For
10.4
|
A14L-
0132- 0001
|
MMX-
Pentium
|
|
For
12.1
|
A20B-
2002- 0890
|
MMX-
Pentium
|
|
Soft
key
printed
circuit board
|
For
10.4
|
A86L-
0001- 0261
|
|
|
For
12.1
|
A20B-
1007- 0530
|
|
|
Touch
panel interface
|
A20B-
8001- 0620
|
|
|
ISA
expansion backplane
|
A20B-
2002- 0240
|
|
|
Type
|
Module
|
Renewal
Part No.
|
Remarks
(Parent
specifications)
|
|
CNC
display
unit
with
PC
functions
|
Main
printed circuit board
|
Other
OS
than
Windows95
|
For
10.4
LCD
type
|
A20B-
2100- 0780
|
A13B-
0193- B031 to - B034
|
|
For
12.1
LCD
type
|
A20B-
2100- 0781
|
A13B-
0193- B041 to - B044
|
|
For
15.0
LCD
type
|
A20B-
2100- 0782
|
A13B-
0193- B051 to - B053
|
|
Windows95
|
For
10.4
LCD
type
|
A20B-
2100- 0783
|
A13B-
0193- B035 to - B038
|
|
For
12.1
LCD
type
|
A20B-
2100- 0784
|
A13B-
0193- B045 to - B048
|
|
For
15.0
LCD
type
|
A20B-
2100- 0785
|
A13B-
0193- B055 to - B057
|
|
Inverter
printed circuit board
|
For
10.4 LCD type
|
A14L-
0132- 0001 #B
|
A13B-
0193- B031 to - B038
|
|
For
12.1 LCD type
|
A14L-
0143- 0001 #B
|
A13B-
0193- B041 to - B048
|
|
For
15.0 LCD type
|
A14L-
0143- 0002 #B
|
A13B-
0193- B051 to - B057
|
|
Soft
key printed circuit board
|
For
10.4 LCD type
|
A86L-
0001- 0261
|
|
|
For
12.1 LCD type
|
A20B-
1007- 0760
|
|
|
Touch
panel controller printed circuit board
|
A20B-
8001- 0620
|
|
|
Type
|
Module
|
Renewal
Part No.
|
Remarks
(Parent
specifications)
|
|
CNC
display
unit
with
PC
functions
|
PC
card
|
MMX
Pentium
233MHz
|
For
10.4 LCD type
|
A08B-
0082- H500#6141
|
A08B-
0082- H010
|
|
For
12.1 LCD type
|
A08B-
0082- H500#6142
|
A08B-
0082- H011
|
|
15.0
LCD type
|
A08B-
0082- H500#6143
|
A08B-
0082- H012
|
|
Celeron
400MHz
|
For
10.4 LCD type
|
A08B-
0082- H512#613D
|
A08B-
0082- H040
|
|
For
12.1 LCD type
|
A08B-
0082- H512#613E
|
A08B-
0082- H041
|
|
For
15.0 LCD type
|
A08B-
0082- H512#613F
|
A08B-
0082- H042
|
|
PentiumIII
500MHz
|
For
10.4 LCD type
|
A08B-
0082- H520#613G
|
A08B-
0082- H050
|
|
For
12.1 LCD type
|
A08B-
0082- H520#613H
|
A08B-
0082- H051
|
|
For
15.0 LCD type
|
A08B-
0082- H520#613J
|
A08B-
0082- H052
|
|
Main
memory
|
For
MMX
Pentium
233MHz
|
DRAM
32MB (*)
|
A76L-
0500- 0013
(Type:
TOSHIBA
THL64V4075BTG
- 5S)
|
A08B-
0082- H001
|
|
DRAM
64MB
|
A76L-
0500- 0014
(Type:
TOSHIBA
THL64V8015BTG
- 5S)
|
A08B-
0082- H002
|
|
DRAM
128MB
|
A76L-
0500- 0017
(Type:
PFU PD- 2261ADS)
|
A08B-
0082- H003
|
|
For
Celeron 400MHz,
PentiumIII
500MHz
|
SDRAM
64M
|
A76L-
0500- 0018
(Type:
PFU PD- 2261ACS)
|
A08B-
0082- H004
|
|
SDRAM
128M
|
A76L-
0500- 0019
(Type:
PFU PD- 2261ADSA)
|
A08B-
0082- H005
|
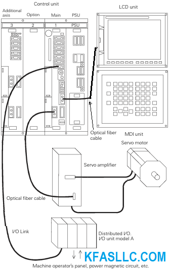
Fanuc
15 control is capable of simultaneous control of up to a maximum of 15 axes.
- synchronous control available for gantry machine
- high speed machining possible using patented linear acceleration/ deceleration control and
look-ahead acceleration/ deceleration control
- available powerful interpolation function such as
* Involutes Interpolation
* Spline Interpolation
* Polar coordinate Interpolation
© Copyright
KFASLLC Houston, Texas, USA