KFAS: Fanuc Parts & Repair

       

A16B-1212-0531 A16B12120531

Fanuc A16B-1212-0531 is obsolete and replaced with A16B-1212-0871. Fanuc A16B-1212-0871 is in stock at KFASLLC and available for same day shipping.

The FANUC A16B-1212-0531 Power Supply is commonly used in Fanuc controls 
such as 16MA, 16MB, 18MB, 18TB, and 18TA.

a16b12120531 

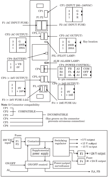
A16B-1212-0531 utilizes following fuses

F1 F2 (200–VAC input)    A60L–0001–0245#GP100 (Daito GP100)

F3 A60L–0001–0075#5.0   (Daito SMP50)

F4  A60L–0001–0046#5.0  (Daito MP50)

FANUC A16B-1212-0531 Power Supply is In Stock at KFASLLC for same day shipping.

a16b-1212-0531

A16B-1212-0531 connection diagram

Related Manual: 61805E

RECONDITIONED AND TESTED

Why Buy From KFASLLC?